-> Fachbereiche -> FB8 -> Experimentalphysik

Das Foucaultsche Pendel der
Bergischen Universität Wuppertal

Die elektrische Anregung

Durch Luftreibung würde das Pendel nach einigen Stunden zur Ruhe kommen. Damit unser Pendel permanent mit konstanter Auslenkung schwingt, wird es elektrisch angeregt.

Exakt unter der Ruhelage des Pendels positioniert befindet sich die Spule eines Elektromagneten, die immer dann eingeschaltet wird, wenn das Pendel seine Bewegung von der maximalen Auslenkung zurück zum Ruhepunkt (Mittelpunkt) beginnt. Der Elektromagnet zieht die (ferromagnetische) Kugel kurz an und liefert die durch Luftreibung fehlende Energie nach.

Damit der Magnet immer im richtigen Zeitpunkt eingeschaltet wird, ist exakt in der Mitte des Magneten ein Lichtsensor (Phototransistor) angebracht, der von einer in der Pendelkugel eingebauten Lichtquelle (Infrarot-Leuchtdiode) kurz beleuchtet wird, wenn das Pendel durch seine Ruhelage schwingt. Dadurch wird eine elektronische Schaltung gesteuert, die ein Viertel der Schwingungsdauer abwartet, bevor der Magnet kurz eingeschaltet wird.

Der Elektromagnet unter der Pendelkugel wird sichtbar, wenn die Skalenplatte entfernt ist.
Der Magnet sitzt auf einem xy-Verschiebetisch, damit er exakt zentral positioniert werden kann.
Rechts unten ist die Steuerelektronik des Magneten sichtbar.
Auf den vier Säulen rings um den Magneten sitzt die Skalenplatte

Die Stromversorgung der Lichtquelle in der Kugel erfolgt über den Stahldraht des Pendels und, als zweite Leitung, über einen um den Draht gewundenen lackisolierten Kupferdraht von 0,05 Millimetern Durchmesser. Der Kupferdraht verläßt den Stahldraht kurz unterhalb des Charron-Rings. Bei der Pendelkugel verschwindet er durch eine kleine Bohrung in der Messinghülse, die die Kugel trägt. Die Hülse besteht aus einem Messingrohr und zwei Gewindestopfen. Im oberen Stopfen ist über zwei seitliche Madenschrauben der Draht eingespannt, der untere Stopfen hat eine Bohrung von 0,6 Millimetern Durchmesser und 18 Millimetern Länge, auf der die 1,8 Millimeter große Infrarot-Leuchtdiode sitzt.

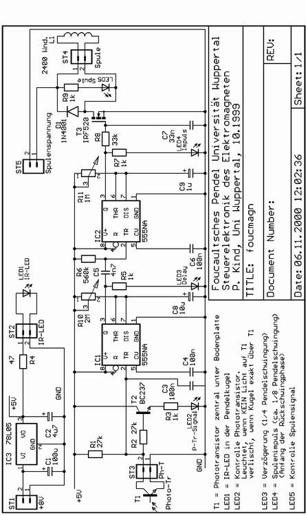
Schaltplan der Magnetsteuerung (JPG, 64 kB)
Schaltplan als Bitmap (BMP, 95 kB)
Schaltplan als Postscript-Datei (PS, 195 kB)

Die Lichtband-Anzeige - Die Beschriftung - Die Mechanik

Zurück zur Hauptseite


Für weitere Fragen zur Elektronik:
P. Kind
Letzte Änderung: 6.11.2000